h Dolar 34,1843 % -0.04
h Euro 36,8895 % -0.04
h Altın (Gr) 2.921,37 %-0,12
Ankara
  • Adana
  • Adıyaman
  • Afyonkarahisar
  • Ağrı
  • Amasya
  • Ankara
  • Antalya
  • Artvin
  • Aydın
  • Balıkesir
  • Bilecik
  • Bingöl
  • Bitlis
  • Bolu
  • Burdur
  • Bursa
  • Çanakkale
  • Çankırı
  • Çorum
  • Denizli
  • Diyarbakır
  • Edirne
  • Elazığ
  • Erzincan
  • Erzurum
  • Eskişehir
  • Gaziantep
  • Giresun
  • Gümüşhane
  • Hakkâri
  • Hatay
  • Isparta
  • Mersin
  • istanbul
  • izmir
  • Kars
  • Kastamonu
  • Kayseri
  • Kırklareli
  • Kırşehir
  • Kocaeli
  • Konya
  • Kütahya
  • Malatya
  • Manisa
  • Kahramanmaraş
  • Mardin
  • Muğla
  • Muş
  • Nevşehir
  • Niğde
  • Ordu
  • Rize
  • Sakarya
  • Samsun
  • Siirt
  • Sinop
  • Sivas
  • Tekirdağ
  • Tokat
  • Trabzon
  • Tunceli
  • Şanlıurfa
  • Uşak
  • Van
  • Yozgat
  • Zonguldak
  • Aksaray
  • Bayburt
  • Karaman
  • Kırıkkale
  • Batman
  • Şırnak
  • Bartın
  • Ardahan
  • Iğdır
  • Yalova
  • Karabük
  • Kilis
  • Osmaniye
  • Düzce
a

OMÜ’lü akademisyene jüri özel ödülü

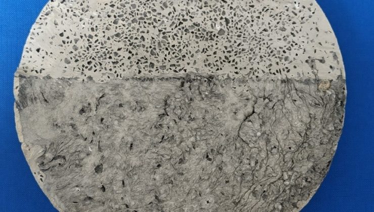
Türkiye Alüminyum Sanayicileri Derneği (TALSAD) tarafından düzenlenen “Geri Dönüşümün Parçası Ol” adlı alüminyum geri dönüşüm proje yarışmasında Ondokuz Mayıs Üniversitesi (OMÜ) Mühendislik Fakültesi Makine Mühendisliği Bölümü Öğretim Üyesi Doç. Dr. Mevlüt Gürbüz, ’jüri özel ödülü’nü kazandı.

Yarışmanın finale kalan son 10 projesi İstanbul’da bir otelde gerçekleştirilen jüri toplantısında değerlendirilirken kazanan projeler de belli oldu. Yarışmada OMÜ Mühendislik Fakültesi Makine Mühendisliği Bölümü Öğretim Üyesi Doç. Dr. Mevlüt Gürbüz; havacılık, otomotiv ve savunma sanayii gibi sektörlerde kullanılacak “Atık İçecek Kutularından Yüksek Şok Absorblayıcı Hibrit Alüminyüm Köpük Üretimi” isimli projesi ile jüri özel ödülüne değer görüldü.

“Geri Dönüşümün Parçası Ol” proje yarışması; alüminyumun ve alüminyum içeren atıkların geri dönüşüm teknolojilerinin, sürdürülebilirlik ve çevre etkilerinin teknoloji, envanter ve sertifikasyon süreçlerinin geliştirilmesini konu alan yenilikçi proje ve fikirlerin desteklenmesi amacını taşıyor.

Akademisyenlerin, profesyonellerin, sivil toplum kuruluşlarının ve şirketlerin başvurusuna açık olarak TALSAD tarafından bu yıl ilk kez düzenlenen proje yarışmasında jüri; kamu kurumları, akademisyenler ve alüminyum sektörünün önde gelen 27 uzmanının katılımıyla oluştu.

Bu yazı yorumlara kapatılmıştır.

Sıradaki haber:

‘Kulak iltihapları kalıcı hasarlar bırakabilir’

Veri politikasındaki amaçlarla sınırlı ve mevzuata uygun şekilde çerez kullanmaktayız. Sitemizi kullanarak çerezleri kabul etmiş olursunuz.